欢迎来到安平县秉德丝网制品有限公司网站!

联系我们
网站地图 | 
安平县秉德丝网制品有限公司

热门关键词搜索: 双边丝护栏网锌钢护栏网勾花护栏网市政护栏网车间隔离栅框架护栏网防眩网

网站首页 > 技术支持

光伏场区焊接网隔离栅专业生产厂家

添加日期: 阅读量:

光伏场区焊接网隔离栅专业生产厂家
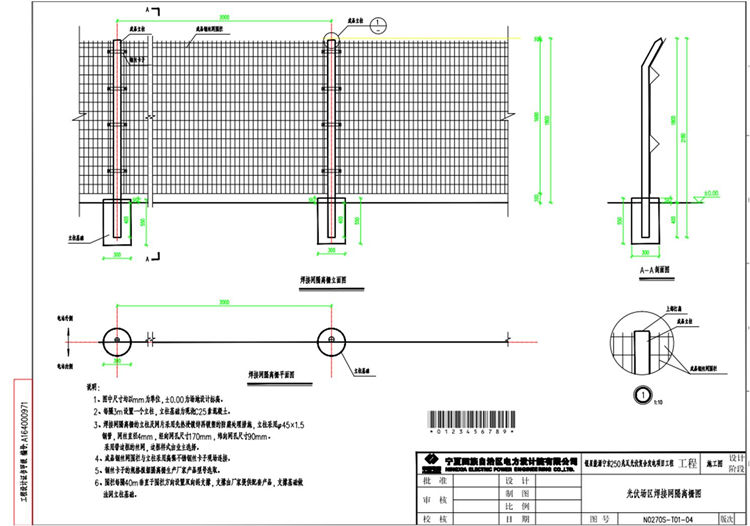
1、图中光伏场区焊接网隔离栅尺寸均以mm为单位, ±0.00为场地设计标高。
2、光伏场区焊接网隔离栅每隔3m设置一个立柱,立柱基础为现浇C25素混凝土。
3、光伏场区焊接网隔离栅的立柱及网片采用先热浸镀锌再镀塑的防腐处理措施,立柱采用Φ45x1.5钢管,网丝直径4mm,经向网孔尺寸170mm ,纬向网孔尺寸90mm。采用带边框的丝网,边框样式由业主选择。
4、成品光伏场区焊接网隔离栅与立柱采用高强不绣钢丝卡子现场连接。
5、钢丝卡子的规格根据隔离栅生产厂家产品型号选取。
6、光伏场区焊接网隔离栅每隔40m垂直于围栏方向设置双向斜支撑,支撑由厂家提供配套产品,支撑基础做法同立柱基础。

  
24小时咨询热线:13292231119QQ在线咨询:3219383557 微信号:13292231119
二维码 二维码
在线客服

安平县秉德丝网制品有限公司

QQ交谈

咨询电话

实力打造品质

诚信统领市场