欢迎来到安平县秉德丝网制品有限公司网站!

联系我们
网站地图 | 
安平县秉德丝网制品有限公司

热门关键词搜索: 双边丝护栏网锌钢护栏网勾花护栏网市政护栏网车间隔离栅框架护栏网防眩网

网站首页 > 技术支持

高速公路防眩设施防眩网专业生产厂家

添加日期: 阅读量:

高速公路防眩设施防眩网专业生产厂家
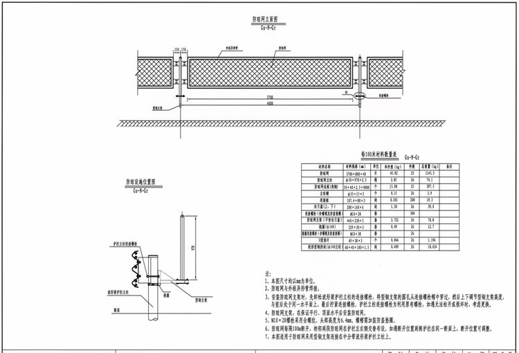
1、本图防眩网尺寸均以mm为单位。
2、防眩网与外框异形管焊接。
3、安装防眩网支架时,先卸松波形梁护栏立柱的连接螺栓,将型钢支架的圆孔从连接螺栓帽中穿过,然后上下调节型钢支架高度,与前后处于同一水平面上,最后拧紧连接螺栓。护栏立柱连接螺栓为利用原有螺栓,如遇无法松开或损坏时,考虑更换。
4、防眩网支架,在保证平行、顶面水平后安装防眩网。
5、MI0x28螺栓采用全螺纹,头部高度为6.4mm,螺帽需加装防盜垫圈。
6、防眩网每100m断开,相邻两段防眩网在护栏左右侧交替布设。如遇断开位置两侧护栏在同一断面上,断开位置可调整。
7、本图适用于防眩网采用型钢支架连接在中分带波形梁护栏立柱上。

  
24小时咨询热线:13292231119QQ在线咨询:3219383557 微信号:13292231119
二维码 二维码
在线客服

安平县秉德丝网制品有限公司

QQ交谈

咨询电话

实力打造品质

诚信统领市场