欢迎来到安平县秉德丝网制品有限公司网站!

联系我们
网站地图 | 
安平县秉德丝网制品有限公司

热门关键词搜索: 双边丝护栏网锌钢护栏网勾花护栏网市政护栏网车间隔离栅框架护栏网防眩网

网站首页 > 技术支持

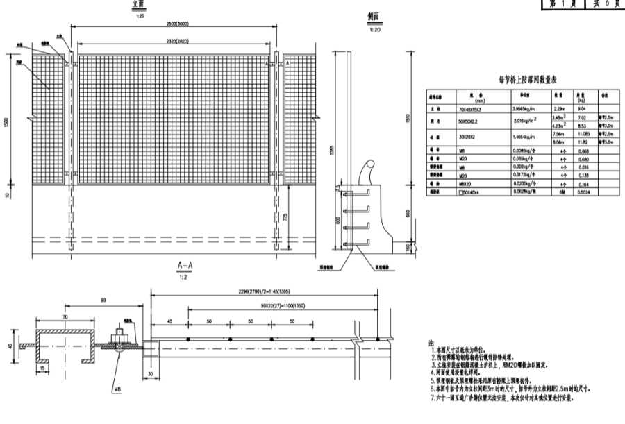
新疆果子沟高速公路防落网生产厂家

添加日期:2025-09-23 阅读量:

新疆果子沟高速公路防落网生产厂家

1.本图尺寸以毫米为单位。

2.所有裸露的钢结构进行镀锌防锈处理。

3.立柱安装在钢筋混凝土护栏上,用M20螺栓加以固定。

4.网面使用浸塑电焊网。

5.预埋钢板及预埋螺栓采用原有桥梁上预埋构件。

6.本图中括号内为立柱间距3m时的尺寸。括号外为立柱间距2.5m时的尺寸。

7.六十一团互通广告牌位置无法安装,本次仅针对其他位置进行安装。


  
24小时咨询热线:13292231119QQ在线咨询:3219383557 微信号:13292231119
二维码 二维码
在线客服

安平县秉德丝网制品有限公司

QQ交谈

咨询电话

实力打造品质

诚信统领市场