欢迎来到安平县秉德丝网制品有限公司网站!

联系我们
网站地图 | 
安平县秉德丝网制品有限公司

热门关键词搜索: 双边丝护栏网锌钢护栏网勾花护栏网市政护栏网车间隔离栅框架护栏网防眩网

网站首页 > 技术支持

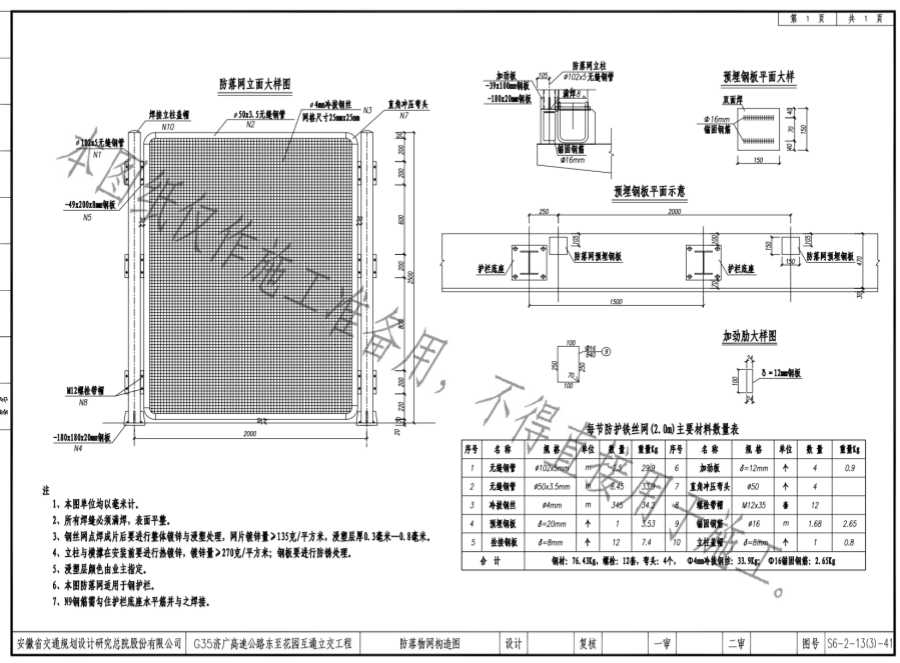
济广高速公路桥梁防落物网生产厂家

添加日期:2025-09-03 阅读量:

济广高速公路桥梁防落物网生产厂家

1、本图单位均以毫米计。

2、所有焊缝必须满焊,表面平整。

3、钢丝网点焊成片后要进行整体镀锌与浸塑处理,网片镀锌量>135克/平方米,浸塑层厚0.3米--0.8毫米。

4、立柱与横撑在安装前要进行热镀锌,镀锌量>270克/平方米,钢板要进行防锈处理。

5、浸塑层颜色由业主指定。

6、本图防落网适用于钢护栏。

7、N9钢筋需勾住护栏底座水平筋并与之焊接。


  
24小时咨询热线:13292231119QQ在线咨询:3219383557 微信号:13292231119
二维码 二维码
在线客服

安平县秉德丝网制品有限公司

QQ交谈

咨询电话

实力打造品质

诚信统领市场