欢迎来到安平县秉德丝网制品有限公司网站!

联系我们
网站地图 | 
安平县秉德丝网制品有限公司

热门关键词搜索: 双边丝护栏网锌钢护栏网勾花护栏网市政护栏网车间隔离栅框架护栏网防眩网

网站首页 > 技术支持

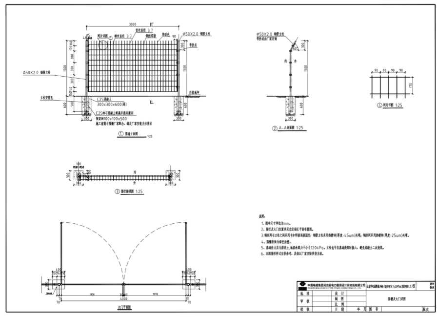
山东淄博淄川岭子废旧矿区150MW光伏区围墙及大门生产厂家

添加日期:2025-09-01 阅读量:

山东淄博淄川岭子废旧矿区150MW光伏区围墙及大门生产厂家

1、图中尺寸单位为mm。

2、围栏及大门位置详见光伏场区平面布置图。

3、钢丝网与立柱之间采用卡扣焊接连接固定,钢管立柱用热镀锌(厚度>45um)处理,钢丝网采用热镀锌(厚度>25um)处理。

4、围栅表面为绿色涂塑。

5、基础持力层为原状土,地基承载力不小于120kPa。立柱也可在基础浇筑时插入,避免混凝土二次浇筑。

6、本图围栏样式仅供参考,具体以厂家实际供货为准。


  
24小时咨询热线:13292231119QQ在线咨询:3219383557 微信号:13292231119
二维码 二维码
在线客服

安平县秉德丝网制品有限公司

QQ交谈

咨询电话

实力打造品质

诚信统领市场