欢迎来到安平县秉德丝网制品有限公司网站!

联系我们
网站地图 | 
安平县秉德丝网制品有限公司

热门关键词搜索: 双边丝护栏网锌钢护栏网勾花护栏网市政护栏网车间隔离栅框架护栏网防眩网

网站首页 > 技术支持

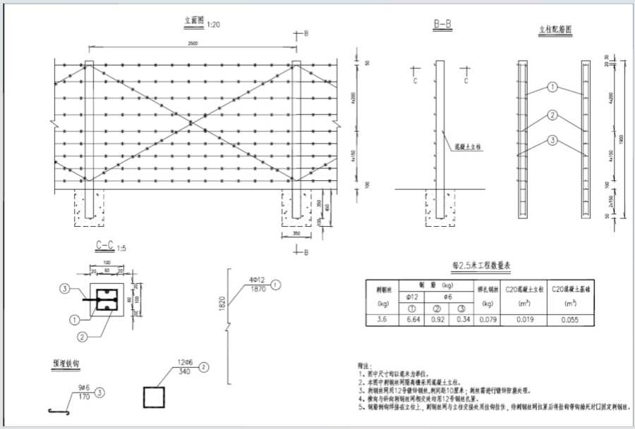
山东高速公路改扩建刺钢丝网隔离栅专业生产厂家

添加日期:2025-08-30 阅读量:

山东高速公路改扩建刺钢丝网隔离栅专业生产厂家

附注

1.图中尺寸均以毫米为单位。

2.本图中刺钢丝网隔离栅将采用混凝土立柱。

3.刺钢丝网用12号镀锌钢丝,刺间距10厘米,刺丝需进行镀锌防腐处理。

4.横向与斜向刺钢丝网相交处均用12号钢丝扎紧。

5.钢筋倒钩焊接在立柱上,刺钢丝网与立柱交接处用挂钩挂住,待刺钢丝网拉紧后将挂钩弯钩拗死封口固定刺钢丝。



  
24小时咨询热线:13292231119QQ在线咨询:3219383557 微信号:13292231119
二维码 二维码
在线客服

安平县秉德丝网制品有限公司

QQ交谈

咨询电话

实力打造品质

诚信统领市场