欢迎来到安平县秉德丝网制品有限公司网站!

联系我们
网站地图 | 
安平县秉德丝网制品有限公司

热门关键词搜索: 双边丝护栏网锌钢护栏网勾花护栏网市政护栏网车间隔离栅框架护栏网防眩网

网站首页 > 技术支持

G30连霍高速公路哈密至吐峪沟段改扩建工程刺钢丝隔离栅生产厂家

添加日期:2025-07-24 阅读量:


G30连霍高速公路哈密至吐峪沟段改扩建工程刺钢丝隔离栅生产厂家

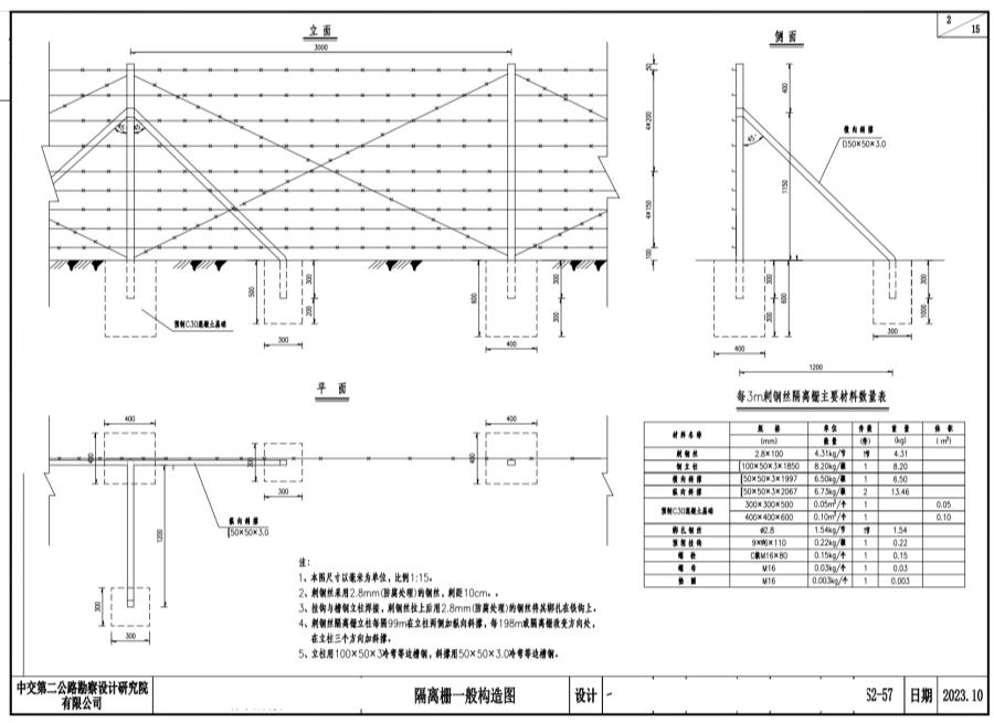
1、本图尺寸以毫米为单位,比例1:15。

2、刺钢丝采用2.8mm(防腐处理)的钢丝,刺距10cm。

3、挂钩与槽钢立柱焊接,刺钢丝拉上后用2.8mm(防腐处理)的钢丝将其绑扎在铁钩上。

4、刺钢丝隔离栅立柱每隔99m在立柱两侧加纵向斜撑,每198m或隔离栅改变方向处在立柱三个方向加斜撑。

5、立柱用100X50X3冷弯等边槽钢,斜撑用50X50X3.0冷弯等边槽钢。


  
24小时咨询热线:13292231119QQ在线咨询:3219383557 微信号:13292231119
二维码 二维码
在线客服

安平县秉德丝网制品有限公司

QQ交谈

咨询电话

实力打造品质

诚信统领市场